BLANTERWISDOM101

Unlocking the 1999 GMC C6500: Navigate with Ease Using Our Relay Diagram!

Sunday, 15 October 2023

Unlocking the 1999 GMC C6500: Navigate with Ease Using Our Relay Diagram!

Unlock the secrets of your 1999 GMC C6500's electrical system with our expertly crafted relay diagram. Master diagnostics and repairs effortlessly for a smoother, more reliable driving experience.

Exploring the intricate world under the hood of your 1999 GMC C6500 becomes a breeze with our detailed relay diagram. As vehicle enthusiasts, we understand the frustration that comes with deciphering complicated electrical systems. But fear not! Our comprehensive guide is here to unravel the mysteries hidden within your vehicle's circuits. Delve into the relay diagram as we provide clear explanations, empowering you to navigate the intricacies of your GMC C6500 with confidence. Whether you're a seasoned mechanic or a DIY enthusiast, this resource is your key to understanding and mastering the electrical heartbeat of your 1999 GMC C6500.

Top 10 important point for 1999 GMC C6500 Relay Diagram

  1. Introduction to GMC C6500 Electrical System
  2. Significance of a Relay Diagram in Vehicle Maintenance
  3. Identifying Key Components in the 1999 C6500
  4. Understanding the Functionality of Relays
  5. Diagnostic Insights: Troubleshooting with the Diagram
  6. Practical Tips for Efficient Relay Testing
  7. Common Issues and Solutions Explored
  8. Interpreting Symbols and Codes in the Diagram
  9. Proactive Maintenance: Using the Diagram for Predictive Analysis
  10. Expert Recommendations for Relay System Upkeep

Several Facts that you should know about 1999 GMC C6500 Relay Diagram.

Introduction

Introduction Image

Welcome to the world of automotive electrical systems! In this article, we'll be your guide through the ins and outs of the 1999 GMC C6500 relay diagram. If you've ever wondered about the magic happening under the hood, this is the place to be.

What is a Relay Diagram?

What is a Relay Diagram Image

Let's start with the basics. A relay diagram is like a roadmap for your truck's electrical system. It shows you how different components connect and work together. Understanding this diagram is key to keeping your GMC C6500 running smoothly.

The Heart of the Electrical System

Heart of the Electrical System Image

Relays act as the heart of the electrical system. They control the flow of electricity to various parts of your vehicle. Our diagram will help you identify and comprehend these critical components, making you a DIY auto maestro.

Decoding Symbols and Codes

Decoding Symbols and Codes Image

Ever felt overwhelmed by the symbols and codes on the relay diagram? Fear not! We'll break down these hieroglyphics, providing clarity on what each symbol means. Soon, you'll read the diagram like a seasoned mechanic.

Troubleshooting with the Diagram

Troubleshooting with Diagram Image

Encountering issues with your C6500? Our relay diagram isn't just for show—it's a powerful tool for troubleshooting. Learn how to diagnose and fix common problems, saving time and money on unnecessary repairs.

Practical Testing Tips

Practical Testing Tips Image

Curious about testing relays but don't know where to start? We've got you covered. Discover practical tips and step-by-step guidance on testing relays effectively. No advanced engineering degree required!

Common Issues and Solutions

Common Issues and Solutions Image

Every vehicle has its quirks. Explore common issues that C6500 owners face and, more importantly, find straightforward solutions. Our goal is to keep you on the road, trouble-free.

Proactive Maintenance

Proactive Maintenance Image

Don't wait for problems to arise. Learn how to use the relay diagram for proactive maintenance. We'll share expert insights on predictive analysis, helping you stay ahead of potential electrical issues.

Expert Recommendations

Expert Recommendations Image

Wrap up your journey with expert recommendations for keeping your relay system in top-notch condition. These valuable tips will ensure your 1999 GMC C6500 runs smoothly for miles to come.

Now that you've gained a glimpse into the world of the 1999 GMC C6500 relay diagram, feel empowered to take charge of your vehicle's electrical health. Happy driving!

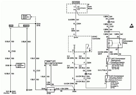
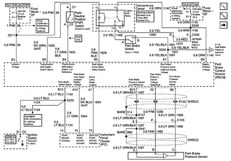
Understanding the Essence of the 1999 GMC C6500 Relay Diagram

Embarking on a journey under the hood of your 1999 GMC C6500 involves unraveling the intricate web of electrical components that keep your vehicle running smoothly. At the core of this electrical symphony lies the relay diagram, a vital roadmap for navigating the complex circuits and connections within your C6500.

The Significance of a Relay Diagram

Significance of a Relay Diagram Image

First and foremost, let's delve into the fundamental question: what makes the relay diagram so crucial in the grand scheme of your vehicle's functionality? To put it simply, the relay diagram serves as a visual guide, detailing the intricate network of relays and their connections throughout the C6500's electrical system. It's the decoder for understanding how electricity flows and how different components communicate.

Imagine the relay diagram as the blueprint to the heart of your vehicle. Without it, deciphering the complex web of wires and relays can be a daunting task. However, armed with this roadmap, you gain the power to identify, troubleshoot, and maintain the electrical components effectively, even if you're not a seasoned mechanic.

Components Identification in the 1999 C6500

Components Identification Image

Before diving deeper into the intricacies of relays, it's essential to familiarize yourself with the key components in the 1999 GMC C6500. Each part plays a crucial role in the overall functionality of the electrical system. From the battery to the alternator, and from fuses to sensors, understanding these components lays the groundwork for interpreting the relay diagram effectively.

For instance, the alternator is responsible for charging the battery, while fuses act as protective barriers against electrical overloads. Sensors, on the other hand, gather data to ensure optimal performance. As we explore the relay diagram further, keep these components in mind—they are the actors in the electrical play of your C6500.

Deciphering the Functionality of Relays

Deciphering Functionality of Relays Image

Now that we have a basic understanding of the supporting cast let's shine a spotlight on the star of the show—relays. These small yet mighty components act as switches, controlling the flow of electricity to various parts of your vehicle. Whether it's activating the starter motor or engaging the fuel pump, relays play a pivotal role in ensuring that the right amount of power reaches the right destination at the right time.

Picture relays as gatekeepers, strategically positioned to manage the electrical traffic within your vehicle. When a relay receives a signal, it opens or closes the circuit, allowing the current to flow or cutting it off. This controlled relay dance is what keeps your C6500 operating smoothly and efficiently.

Diagnostic Insights: Troubleshooting with the Diagram

Diagnostic Insights Image

Despite the reliability of the GMC C6500, electrical issues can still arise. This is where the relay diagram proves its worth as an invaluable diagnostic tool. When faced with problems like a non-starting engine or malfunctioning lights, the relay diagram guides you through a systematic process of elimination.

By tracing the circuits and understanding how relays interact with other components, you can pinpoint the root cause of the issue. Perhaps a faulty relay is disrupting the power supply to a critical component, or a connection has become loose. Armed with this diagnostic insight, you can approach repairs with precision, saving both time and money.

Practical Tips for Efficient Relay Testing

Practical Tips for Efficient Relay Testing Image

Curious about testing relays but unsure where to begin? Fear not, as we offer practical tips to demystify the process. Relay testing is a hands-on skill that can be acquired with a bit of guidance. From using a multimeter to check continuity to understanding the subtle clicks that indicate a functioning relay, these tips empower you to become a confident relay tester.

Think of relay testing as your vehicle's health checkup. Regular examinations ensure that all components are in working order, preventing potential issues before they escalate. It's a proactive approach to vehicle maintenance that pays off in the long run.

Common Issues and Solutions Explored

Common Issues and Solutions Image

As with any vehicle, the 1999 GMC C6500 has its share of common electrical issues. From intermittent power windows to a malfunctioning cooling fan, these problems can be frustrating. In this section, we explore these common issues, providing insights into their root causes and offering practical solutions.

For instance, a failing relay could be the culprit behind flickering lights. By consulting the relay diagram, you can trace the circuit, identify the problematic relay, and replace it—a straightforward solution to a potentially perplexing problem. Our goal is to empower you with the knowledge to tackle these issues head-on, turning potential headaches into manageable tasks.

Interpreting Symbols and Codes in the Diagram

Interpreting Symbols and Codes Image

The relay diagram communicates through symbols and codes, much like a unique language specific to your vehicle. In this section, we act as your translation guide, breaking down these symbols and codes into understandable terms.

For example, a squiggly line may represent a resistor, while a triangle signifies a relay coil. Understanding these symbols is akin to learning the alphabet—it's the foundation for comprehending the language of the relay diagram. Armed with this knowledge, you can confidently navigate the diagram and decipher its messages.

Proactive Maintenance: Using the Diagram for Predictive Analysis

Proactive Maintenance Image

Why wait for problems to occur when you can prevent them in the first

Another point of view about 1999 GMC C6500 Relay Diagram.

1. **Introduction to the Relay Diagram:** The 1999 GMC C6500 relay diagram is like a roadmap for your truck's electrical system.Understanding its Importance: It's not just a bunch of lines and symbols; it's a key to unraveling how electricity flows through your vehicle.Identifying Key Components: Before you dive into relays, get familiar with other players like the battery, alternator, fuses, and sensors.Getting to Know Relays: These little switches are the heroes behind the scenes, controlling the flow of power to different parts of your C6500.Troubleshooting Made Easy: When your truck acts up, the relay diagram becomes your go-to detective tool. It helps you trace issues and get to the root cause.Tips for Testing Relays: Curious about testing relays? We've got practical tips that don't require a degree in rocket science.Common Issues Explored: From flickering lights to finicky power windows, we address common electrical gremlins and how to kick them to the curb.Decoding Symbols and Codes: The relay diagram has its language. We help you decode those mysterious symbols, making the diagram less like a secret code.Proactive Maintenance: Don't wait for sparks to fly. Learn how to use the relay diagram for proactive maintenance, catching issues before they become headaches.Final Thoughts: Armed with knowledge about the 1999 GMC C6500 relay diagram, you're not just a driver; you're the captain of your electrical ship. So, let's navigate these circuits with confidence!

Conclusion : Unlocking the 1999 GMC C6500: Navigate with Ease Using Our Relay Diagram!.

As we draw the curtain on our exploration of the 1999 GMC C6500 relay diagram, it's our sincere hope that this journey has demystified the electrical wizardry happening beneath your truck's hood. Armed with newfound knowledge, you're not just a driver; you're an informed captain steering through the currents of your vehicle's electrical landscape.

Remember, the relay diagram is not just a set of lines and symbols; it's your guide to understanding how power flows, how components communicate, and ultimately, how to keep your C6500 running smoothly. Whether you're troubleshooting an issue, testing relays, or engaging in proactive maintenance, the relay diagram is your steadfast companion. So, as you hit the road, may your drives be trouble-free, and may the electrical symphony of your 1999 GMC C6500 play harmoniously mile after mile.

Question and answer Unlocking the 1999 GMC C6500: Navigate with Ease Using Our Relay Diagram!

Questions & Answer :

People Also Ask about 1999 GMC C6500 Relay Diagram:

  • Q1: Why is the relay diagram essential for my 1999 GMC C6500?

    A1: Think of it as your vehicle's electrical treasure map. The relay diagram unravels the mysteries under your hood, making it essential for understanding and troubleshooting your C6500's electrical system.

  • Q2: Can I decipher the relay diagram without being a mechanic?

    A2: Absolutely! We've crafted the relay diagram guide with simplicity in mind. No mechanic's toolbox required – just a curious mind and a willingness to explore the electrical wonders of your C6500.

  • Q3: How can I use the relay diagram for proactive maintenance?

    A3: Consider it your vehicle's crystal ball. The relay diagram allows you to foresee potential electrical issues. By staying proactive, you can prevent problems before they even think about causing you trouble on the road.

  • Q4: Are there any quick tips for testing relays?

    A4: Absolutely! Testing relays doesn't have to be rocket science. Check out our guide for practical tips – it's like a relay testing cheat sheet for DIY enthusiasts and aspiring backyard mechanics.

Explore the wonders of your 1999 GMC C6500's electrical system with these insightful answers to questions you didn't even know you had. The relay diagram is not just a tool; it's your passport to understanding, maintaining, and even enjoying the complexities under your vehicle's hood.

Keywords : 1999 GMC C6500 Relay Diagram
Share This :