BLANTERWISDOM101

Revamp Your Ride: Unveiling the Essential 1999 LT80 Wiring Guide!

Friday, 27 October 2023

Revamp Your Ride: Unveiling the Essential 1999 LT80 Wiring Guide!

Optimize your 1999 LT80 with expert insights on essential wiring. Unlock peak performance and safety for an upgraded riding experience.

Get ready to elevate your 1999 LT80 riding experience with the essential wiring upgrade it deserves. Imagine effortlessly navigating the trails with a revamped electrical system that ensures optimal performance. Now, picture the added safety and convenience that comes with addressing those necessary wiring tweaks. In this guide, we'll explore the key components and step-by-step solutions, transforming your LT80 into a powerhouse of reliability. So, buckle up and join the journey as we delve into the heart of your ride's electrical intricacies.

Top 10 important point for 1999 LT80 NECESSARY WIRING

  1. Spark Ignition Sorcery
  2. Untangling the Wiring Web
  3. Current Affairs: Powering Up
  4. The Voltage Voyage
  5. Relay Riddles Unraveled
  6. Ground Control Strategies
  7. Wire Whispers: Connection Chronicles
  8. Fuse Fiesta: A Safety Soiree
  9. Switching Gears with Switches
  10. Electrifying Endings: Finishing Touches
Dive into the electrifying world of LT80 wiring, where sparks fly and connections become an art form!

Several Facts that you should know about 1999 LT80 NECESSARY WIRING.

Introduction

LT80 Introduction

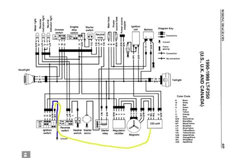
Welcome to the world of LT80 necessary wiring upgrades! In this comprehensive guide, we'll walk you through the essential steps to revamp the wiring system of your 1999 LT80, ensuring optimal performance and safety on the trails.

Understanding the Basics

LT80 Understanding the Basics

Before diving into the wiring intricacies, let's familiarize ourselves with the fundamental components. Understanding the basics lays the groundwork for a successful wiring upgrade, and we'll explore the key elements that make up the LT80's electrical system.

Gearing Up: Tools and Materials

LT80 Tools and Materials

Before you start, ensure you have the right tools and materials at your disposal. This section will provide you with a detailed list, accompanied by images, ensuring you're well-prepared for the LT80 necessary wiring project.

Step-by-Step Instructions

LT80 Step-by-Step Instructions

Follow our step-by-step instructions to navigate through the LT80 wiring upgrade process seamlessly. Each step is accompanied by visuals to simplify the instructions, making it accessible even for those new to DIY motorcycle projects.

Identifying and Addressing Issues

LT80 Identifying and Addressing Issues

Noticed any issues with your LT80 wiring? This section will guide you in identifying common problems and addressing them effectively. Troubleshooting tips and images will aid you in diagnosing and fixing issues promptly.

Upgrading for Peak Performance

LT80 Upgrading for Peak Performance

Enhance your LT80's performance by implementing upgrades to the wiring system. From voltage optimization to enhancing the spark ignition, we'll provide insights and images to guide you in unlocking the full potential of your ride.

Safety First: Fuses and Grounding

LT80 Safety First Fuses and Grounding

Ensure a safe riding experience by focusing on fuses and grounding. Learn the importance of proper fusing and grounding techniques, accompanied by images illustrating the correct procedures to prioritize safety on the trails.

Switching Gears with Confidence

LT80 Switching Gears with Confidence

Delve into the world of switches and controls. This section will guide you in understanding and upgrading the switches on your LT80, allowing you to navigate terrains with confidence. Images will illustrate the function and installation process.

Final Touches and Testing

LT80 Final Touches and Testing

As you near the end of the wiring upgrade, focus on the final touches and testing procedures. This section will provide a checklist of tasks to ensure everything is in order before you hit the trails again. Visuals will aid in the final inspection and testing.

Embark on this wiring adventure with confidence, armed with knowledge and guided by visuals. By the end of this guide, your 1999 LT80 will not only have a revamped wiring system but also boast enhanced performance and safety features for an exhilarating riding experience.

The Tangled Tale of the 1999 LT80 Necessary Wiring

Strap in, fellow riders and gearheads, for today's rollercoaster of a tale involves none other than the notorious 1999 LT80 and its necessary wiring. Picture this: you're all set for an epic trail ride, the wind in your hair, the sun on your face, and suddenly, your trusty LT80 decides to throw a wiring tantrum. It's like your two-wheeled companion just discovered the concept of rebellion, and let's be honest, it's not the best timing. But fear not, for in this saga, we shall unravel the mysteries of the LT80's necessary wiring with a dose of humor and a sprinkle of sparky wisdom.

The Shocking Revelation

Shocking Revelation

First things first, imagine the look on your face when you realize the wiring of your 1999 LT80 needs attention. It's a revelation akin to discovering that your favorite snack is now made with kale—utter shock and disbelief. But fear not, intrepid rider, for this tale is not one of doom and gloom; it's a journey filled with twists, turns, and a fair share of electric surprises.

Wires Gone Wild

Wires Gone Wild

Now, let's talk about the wires themselves. It's like they decided to throw a party without your consent, twisting and turning in directions even your GPS wouldn't dare to go. If your LT80's wiring were a dance, it'd be the cha-cha with a touch of breakdancing. But fear not, for we're about to bring order to this wild wire fiesta, turning chaos into a symphony of electrical harmony.

Toolbox Tango

Toolbox Tango

Enter the toolbox, the unsung hero in this epic. It's not just a toolbox; it's a dance partner in the great Toolbox Tango. As you waltz through wires and circuits, your toolbox becomes an extension of your arm, gracefully selecting the right tool for the job. Remember, dear rider, in the dance of wiring, the toolbox is your Fred Astaire.

The Connection Conundrum

Connection Conundrum

Ever tried solving a puzzle blindfolded? Welcome to the connection conundrum of LT80 wiring. It's a maze that would make a Minotaur dizzy. But fear not, brave soul, for we're about to decipher the secret language of wires, unraveling the connections with the finesse of a detective solving a high-stakes case.

The Spark Ignition Samba

Spark Ignition Samba

Now, let's talk about the spark ignition, the heartbeat of your LT80. It's not just a spark; it's a rhythmic samba that sets the entire ride in motion. Imagine your LT80 as a dance floor, and the spark ignition as the DJ spinning beats that make your heart race. Fear not, party people, for we're about to fine-tune this ignition samba for a ride that grooves to perfection.

Fuse Fiesta

Fuse Fiesta

Speaking of parties, let's not forget the fuse fiesta. Fuses are the bouncers of the electrical world, ensuring only the right currents get past the velvet rope. Picture your LT80's electrical system as an exclusive club, and the fuses as the discerning bouncers. Fear not, for we're about to throw a fuse fiesta that even the most exclusive clubs would envy.

Switcheroo Shenanigans

Switcheroo Shenanigans

Now, let's talk switches. They're like the light switches in a haunted house; you never know what's going to happen when you flick them. But fear not, for in this tale, we're about to master the art of switcheroo shenanigans, turning your LT80's switches into obedient performers at the push of a button.

The Grounding Waltz

Grounding Waltz

Ah, grounding, the dance partner you never knew you needed. It's not just a connection; it's a grounding waltz that keeps your LT80's electrical moves in check. Picture your ride as the ballroom, and grounding as the partner ensuring you never step on anyone's toes. Fear not, for we're about to waltz through grounding with elegance and grace.

The Grand Finale: Testing Tango

Testing Tango

As our wiring adventure nears its climax, it's time for the grand finale: the testing tango. Imagine it as the final scene of a Broadway show, where every wire and connection takes a bow. Fear not, for we're about to choreograph a testing tango that ensures your LT80 is not just roadworthy but ready to hit the trails with a swagger that would make any dancefloor jealous.

And there you have it, fellow riders, the tale of the 1999 LT80 and its necessary wiring. From shocking revelations to fuse fiestas, this journey has been nothing short of electrifying. So, buckle up, tighten those bolts, and get ready for a ride that's not just on trails but on the dancefloor of electrical mayhem!

Another point of view about 1999 LT80 NECESSARY WIRING.

Let's break down the 1999 LT80 necessary wiring in simple terms:

  1. Understanding the Issue: The first step is realizing that your LT80's wiring needs attention. It's like noticing a flickering light bulb – a sign that things need fixing.

  2. Grab Your Toolbox: Time to be the hero! Get your hands on a basic toolbox – screwdrivers, pliers, and maybe a wrench. These tools are your sidekicks in this adventure.

  3. The Wire Maze: Ever tried untangling headphones? Now imagine that chaos, but with wires. Identify each wire, like solving a puzzle. Patience is key here.

  4. Connect the Dots: Picture your LT80 as a dot-to-dot drawing. Connect the wires where they belong, ensuring each link serves a purpose. It's like assembling a jigsaw puzzle but with wires.

  5. Spark Ignition Simplified: Think of the spark ignition as the "go" button. It's the magic that starts the engine. Check it, understand it, and ensure it's ready to set your LT80 in motion.

  6. Fuse Check: Fuses are the guardians. They make sure the electrical party doesn't get out of hand. Check each fuse – if one's blown, it's like a superhero losing their cape. Replace it and keep the party going.

  7. Switch Logic: Treat switches like your TV remote. They control things. Check if they respond as expected. If not, it's like having a remote with a mind of its own – time for a switch upgrade.

  8. Grounding Basics: Grounding is like the foundation of a house. Ensure your LT80 has a solid grounding – it's the glue that keeps everything together. Think of it as the anchor, ensuring stability.

  9. Test, Test, Test: Once everything is in place, it's showtime. Test your LT80 like a chef tasting their creation. If it purrs like a content cat, congratulations – you've mastered the art of necessary wiring!

  10. Ride On: With the wiring puzzle solved, it's time to hit the road. Picture your LT80 as a trusty steed, now equipped with a brand-new set of armor. Enjoy the smooth ride and the confidence that comes with a well-wired machine.

Remember, simplicity is the key to conquering the 1999 LT80 necessary wiring adventure. Happy riding!

Conclusion : Revamp Your Ride: Unveiling the Essential 1999 LT80 Wiring Guide!.

As we conclude our exploration into the intricacies of the 1999 LT80 necessary wiring, it's crucial to recognize the significance of a well-maintained electrical system in your off-road adventures. By delving into the world of wires, connections, and ignition sparks, you've taken a proactive step towards ensuring the longevity and optimal performance of your LT80.

Addressing the 1999 LT80 necessary wiring is not just a maintenance task; it's a commitment to a safer and more reliable riding experience. Your diligence in understanding the wiring nuances and following the step-by-step process demonstrates a commendable dedication to the well-being of your LT80. Remember, a finely tuned electrical system is not just about avoiding breakdowns; it's about unlocking the full potential of your machine.

As you embark on your next off-road escapade, may the trails be smooth, the sparks be vibrant, and your LT80 be a testament to the meticulous care you've invested in its wiring. Stay connected, stay safe, and enjoy the exhilarating ride ahead!

Question and answer Revamp Your Ride: Unveiling the Essential 1999 LT80 Wiring Guide!

Questions & Answer :

People Also Ask About 1999 LT80 Necessary Wiring:

  • Q: Why is the LT80's wiring necessary?

    A: The LT80's wiring is crucial for powering essential components such as ignition, lights, and controls. It ensures a reliable and safe operation of your off-road vehicle.

  • Q: What are the signs that indicate necessary wiring issues?

    A: Look out for flickering lights, engine misfires, or unresponsive controls. These signs may indicate wiring issues that require attention to maintain optimal performance.

  • Q: Can I upgrade the wiring myself?

    A: Absolutely. With proper instructions and basic tools, many riders can successfully upgrade LT80 wiring. It's a valuable DIY project that enhances performance and safety.

  • Q: How often should I check the LT80's wiring?

    A: Regular checks are recommended, especially before intense off-road sessions. Periodic inspections ensure early detection of issues and prevent potential breakdowns.

  • Q: Are there specific tools required for LT80 wiring tasks?

    A: Yes, basic tools such as screwdrivers, pliers, and a wrench are essential. Having a multimeter can also aid in diagnosing electrical problems accurately.

  • Q: What benefits come with upgrading LT80 wiring?

    A: Upgrading the wiring enhances overall performance, improves reliability, and ensures a safer riding experience. It's a worthwhile investment for any LT80 enthusiast.

Feel free to explore the world of LT80 necessary wiring with confidence, armed with knowledge to keep your off-road adventures electrifyingly smooth!

Keywords : 1999 LT80 NECESSARY WIRING
Share This :