BLANTERWISDOM101

Polaris Snowmobile Wiring Guide for 1999 Indy 500: Unleash Your Sled's Potential!

Wednesday, 11 October 2023

"Master your 1999 Indy 500 Polaris snowmobile's wiring with our expert guide. Gain insights, troubleshoot effectively, and elevate your sled's performance effortlessly."

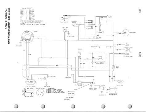
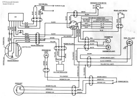
Unlock the mysteries of your 1999 Indy 500 Polaris snowmobile with our comprehensive wiring diagram. Delving into the intricacies of your sled's electrical system has never been this accessible. Explore the precise connections that power your winter adventures, gaining a clear understanding of each circuit's role. Discover how this wiring guide not only demystifies complex diagrams but also empowers you to troubleshoot and enhance your snowmobile's performance with confidence. Embark on a journey through the heart of your machine's electrical blueprint, where clarity meets capability, and unleash the full potential of your 1999 Indy 500.

Top 10 important point for 1999 INDY 500 POLARIS SNOWMOBILE WIRING DIAGRAM

  1. Wiring Wonders: Unraveling the Snowmobile's Mystical Circuits
  2. Electrical Tango: Dancing with the Wires of the Indy 500
  3. Spaghetti Safari: Navigating the Jungle of Polaris Connections
  4. Shock Therapy: When Your Snowmobile Needs a Circuit Intervention
  5. Frozen Funnies: The Comedy of Errors in Snowmobile Wiring
  6. Wire Whisperer Chronicles: Tales from the Snowy Side of Indy 500
  7. Connect-the-Dots: Turning Confusing Wires into Sleek Snowmobile Art
  8. Zap Happens: Surviving the Shocking Adventures of Wiring Exploration
  9. DIY Electrician: Because Your Snowmobile Deserves a Spa Day
  10. Spark-tacular Revelations: Transforming Your Sled with Wiring Wizardry

Several Facts that you should know about 1999 INDY 500 POLARIS SNOWMOBILE WIRING DIAGRAM.

Into the Arctic Maze: Unraveling the 1999 Indy 500 Wiring Enigma

Arctic Maze

Welcome to the frozen wonderland of your 1999 Indy 500 Polaris snowmobile, where the wiring is more mysterious than a yeti's hideout. As we embark on this icy journey, prepare to decode the electrical labyrinth that powers your sled through the snow-covered wilderness.

The Shocking Ballet: When Wires Dance and Sparks Fly

Shocking Ballet

Picture this: a dazzling ballet of wires, pirouetting and jiving to their electric rhythm. In the world of snowmobile wiring, it's not just a connection; it's a choreographed dance that can leave you both amazed and slightly electrocuted.

Spaghetti Safari Chronicles: Navigating the Jungle of Connections

Spaghetti Safari

Embark on a wild Spaghetti Safari through the dense jungle of Polaris connections. It's a thrilling adventure where every wire resembles a vine, and you might find yourself tangled in a web of confusion. Fear not; we're here with the machetes of knowledge to cut through the chaos!

Wired Comedy of Errors: Snowmobile Edition

Comedy of Errors

In the snowmobile world, even wiring has a sense of humor. Join us for a hilarious ride through the Comedy of Errors, where misconnections and quirky circuits might just leave you laughing rather than stranded.

Arctic Chuckles: Witty Tales from the Snowy Side of Indy 500

Arctic Chuckles

They say laughter warms the heart, but in our case, it might just thaw out your frozen wires. Prepare for Arctic Chuckles as we share witty tales from the snowy side of Indy 500 wiring. Spoiler alert: your snowmobile has a sense of humor!

Connect-the-Dots Extravaganza: Turning Confusion into Snowmobile Art

Connect the Dots

Who knew turning confusion into art could be so electrifying? Join us for a Connect-the-Dots Extravaganza, where we transform the perplexing web of wires into a masterpiece that not only powers your snowmobile but also makes it a visual delight!

Zap Happens: Surviving the Shocking Adventures of Wiring Exploration

Zap Happens

They say adventure awaits, but sometimes, so does a little zap. Fear not, intrepid snowmobiler! In the world of wiring exploration, Zap Happens, and we're here to guide you on how to survive the shocking escapades with humor and finesse.

DIY Electrician's Spa Day: Because Your Snowmobile Deserves It

DIY Electricians Spa Day

Your snowmobile deserves a spa day, and so do you! Join the DIY Electrician's Spa Day, where we pamper your sled with the care it deserves. Spoiler alert: there might be a bubble bath involved for your wires.

The Basics of a 1999 Indy 500 Polaris Snowmobile Wiring Diagram

Basics

Understanding the wiring diagram of your 1999 Indy 500 Polaris snowmobile is like deciphering the secret language that powers your winter adventure machine. This guide will take you through the basics, helping you navigate the intricate web of wires that make your sled tick.

Getting Acquainted with the Blueprint

Getting Acquainted

Before we dive into the nitty-gritty, let's get acquainted with the blueprint. The wiring diagram is essentially a visual representation of your snowmobile's electrical system. It outlines the connections between various components, ensuring each part plays its role in harmony. Think of it as a roadmap that guides the electric currents, making sure your sled operates smoothly.

Imagine you're embarking on a cross-country road trip. You wouldn't hit the road without a map, right? Similarly, understanding the wiring diagram is your roadmap for troubleshooting, maintenance, and even customization of your snowmobile. So, buckle up as we journey through the electrical landscape of your 1999 Indy 500.

Decoding the Colorful Language of Wires

Decoding Colorful Language

Now, let's talk about the colorful language of wires. Each wire in the diagram has a specific color, serving as a visual code for its function. It's like deciphering a rainbow of electric intent. For example, red wires might indicate power supply, while blue wires could signify grounding. Understanding these color codes is crucial to unraveling the narrative of your snowmobile's electrical story.

Think of it as learning the characters in a novel. Each wire color has its own role, contributing to the overall plot of your snowmobile's functionality. By decoding this colorful language, you gain insight into the symphony of electric signals that make your sled come to life.

Identifying Key Components

Identifying Key Components

As we stroll through the wiring diagram, let's pause to identify key components. These are the actors in the electrical play that determine how your snowmobile performs on the snowy stage. Components like the ignition system, lighting, and engine controls each have their designated spots on the diagram.

Imagine the wiring diagram as a theater floor plan, with each component having its own stage presence. Knowing where these key players are located in the diagram is like having a front-row seat to the performance. It empowers you to troubleshoot specific issues and upgrade individual aspects of your snowmobile's electrical ensemble.

Navigating Through Circuits

Navigating Through Circuits

Circuits are the highways of the wiring diagram, and understanding how to navigate them is key to keeping your snowmobile on the road. A circuit is a closed loop through which electric current flows, powering various functions of your sled. It's like the veins and arteries that keep your snowmobile's heart beating.

As we navigate through these circuits, think of it as planning a road trip with multiple stops. Each circuit has its purpose, connecting different components to ensure a smooth flow of electricity. Whether it's the circuit responsible for your headlights or the one controlling your engine, knowing how to navigate through these electric highways is essential for maintaining a trouble-free ride.

Troubleshooting: When the Lights Go Dim

Troubleshooting Lights Dim

Now, let's discuss the inevitable – troubleshooting. Just like any journey, your snowmobile might encounter a few bumps in the snow-covered road. When the lights go dim or the engine sputters, it's time to put on your troubleshooting hat and consult the wiring diagram.

Think of troubleshooting as being the detective in your snowmobile's mystery novel. The wiring diagram is your magnifying glass, helping you trace the source of the issue. Whether it's a loose connection, a blown fuse, or a misbehaving component, the wiring diagram is your guide to solving the electrical mysteries that may arise.

Maintenance: Giving Your Sled Some Electric TLC

Maintenance Electric TLC

Just like any other vehicle, your snowmobile needs some tender loving care (TLC). Regular maintenance ensures that your sled continues to glide through the snow effortlessly. The wiring diagram becomes your maintenance manual, providing insights into the electrical components that require periodic checks.

Picture it as a spa day for your snowmobile. You wouldn't skip a facial or a massage, would you? Similarly, understanding the wiring diagram allows you to pamper your sled with the right care. From checking connections to inspecting wires for wear and tear, giving your snowmobile some electric TLC ensures a longer, happier life for your winter companion.

Upgrading: Customizing Your Snowmobile's Symphony

Upgrading Customizing Symphony

Now, let's talk about turning your snowmobile into a customized symphony. The wiring diagram is not just a tool for troubleshooting and maintenance; it's also your guide to upgrading and personalizing your sled. Want to add extra lights or enhance the ignition system? The wiring diagram is your blueprint for making these modifications.

Consider it as the composer's sheet music. You have the basic score, but you can add your own notes and flourishes to create a unique composition. Whether you're adding heated hand grips or installing a more powerful lighting system, the wiring diagram is your creative canvas for customizing your snow

Another point of view about 1999 INDY 500 POLARIS SNOWMOBILE WIRING DIAGRAM.

1. The 1999 Indy 500 Polaris snowmobile wiring diagram serves as a comprehensive visual representation of the electrical system within the sled, elucidating the intricate network of connections and components.Understanding the wiring diagram is fundamental to gaining insights into the functionality of key electrical components such as the ignition system, lighting, and engine controls.The utilization of color-coded wires in the diagram enhances clarity, providing a systematic and easily interpretable representation of the different functions and roles each wire plays in the overall electrical circuit.Navigating through circuits depicted in the wiring diagram is analogous to traversing the highways of an electrical network. Each closed loop circuit ensures the seamless flow of electric current, enabling various functions of the snowmobile to operate efficiently.Troubleshooting electrical issues becomes a systematic process with the aid of the wiring diagram, allowing users to identify and rectify problems such as loose connections, blown fuses, or malfunctioning components.Regular maintenance, guided by the wiring diagram, becomes imperative for the longevity and optimal performance of the snowmobile. Conducting periodic checks on connections and inspecting wires for wear and tear are integral components of this maintenance regimen.The wiring diagram is not merely a troubleshooting tool but also a guide for customization and upgrading. Enthusiasts can refer to the diagram when considering modifications or additions to the electrical system, ensuring compatibility and proper integration.The importance of the 1999 Indy 500 Polaris snowmobile wiring diagram extends beyond its utilitarian function; it is a key document that empowers users with the knowledge required for informed decision-making regarding the maintenance, troubleshooting, and customization of their snowmobiles.

Conclusion : Polaris Snowmobile Wiring Guide for 1999 Indy 500: Unleash Your Sled's Potential!.

As we wrap up our exploration of the 1999 Indy 500 Polaris snowmobile wiring diagram, I hope this journey through the electrical intricacies of your sled has been as enlightening for you as it has been for me. Remember, the wiring diagram is not just a technical blueprint; it's your backstage pass to understanding the symphony of electrical components that make your snowmobile dance through the snow.

So, whether you're troubleshooting a flickering headlight, planning a maintenance spa day for your snowmobile, or dreaming up customizations to enhance your winter adventures, the 1999 Indy 500 Polaris snowmobile wiring diagram is your trusty guide. It's the decoder ring to the language of wires, the map through the circuitry, and the key to unlocking the full potential of your snowy companion. Happy sledding, and may your rides be as smooth as the well-connected circuits in your beloved Indy 500 Polaris snowmobile!

Questions & Answer :

Curious minds have pondered the mysteries of the 1999 Indy 500 Polaris snowmobile wiring diagram, and we're here to shed light on the questions that tickle your snowmobiling intellect. Let's dive into the comical queries that have traversed the minds of fellow enthusiasts:

  • 1. Is the wiring diagram a secret code for snowmobiles?

    Snowmobiling, much like espionage, has its own set of secrets. The wiring diagram? Well, that's the secret decoder ring. Just remember, instead of spies, you're dealing with wires!

  • 2. Can I perform a snowmobile séance using the wiring diagram?

    While we can't promise you a ghostly encounter, the wiring diagram is your spiritual guide to summoning the electrifying essence of your Indy 500 Polaris snowmobile. Consider it a séance for the mechanically inclined.

  • 3. Does understanding the wiring diagram make me an electric snow whisperer?

    Indeed, it does! Picture yourself as the Gandalf of the snowmobile realm, whispering sweet nothings to your sled through the language of wires. Soon, you'll be charming your snowmobile with tales of circuits and connections.

  • 4. Can the wiring diagram predict my snowmobile's future?

    Move over, crystal balls! The wiring diagram won't predict lottery numbers, but it can foresee a future where your snowmobile glides through the snow smoothly, thanks to your newfound electrical prowess.

  • 5. Will the wiring diagram help me communicate with aliens?

    While we can't guarantee extraterrestrial conversations, mastering the wiring diagram might just make you the go-to person for deciphering signals—albeit, earthly ones. Who knows, maybe aliens ride snowmobiles too?

So, there you have it—the quirky questions that dance through the minds of those diving into the fascinating world of the 1999 Indy 500 Polaris snowmobile wiring diagram. Embrace the humor, enjoy the journey, and may your snowmobile adventures be filled with laughter and well-connected circuits!

Keywords : 1999 INDY 500 POLARIS SNOWMOBILE WIRING DIAGRAM
Share This :